- 27 nov 2011
- 183
- 0
- 0
Heren,
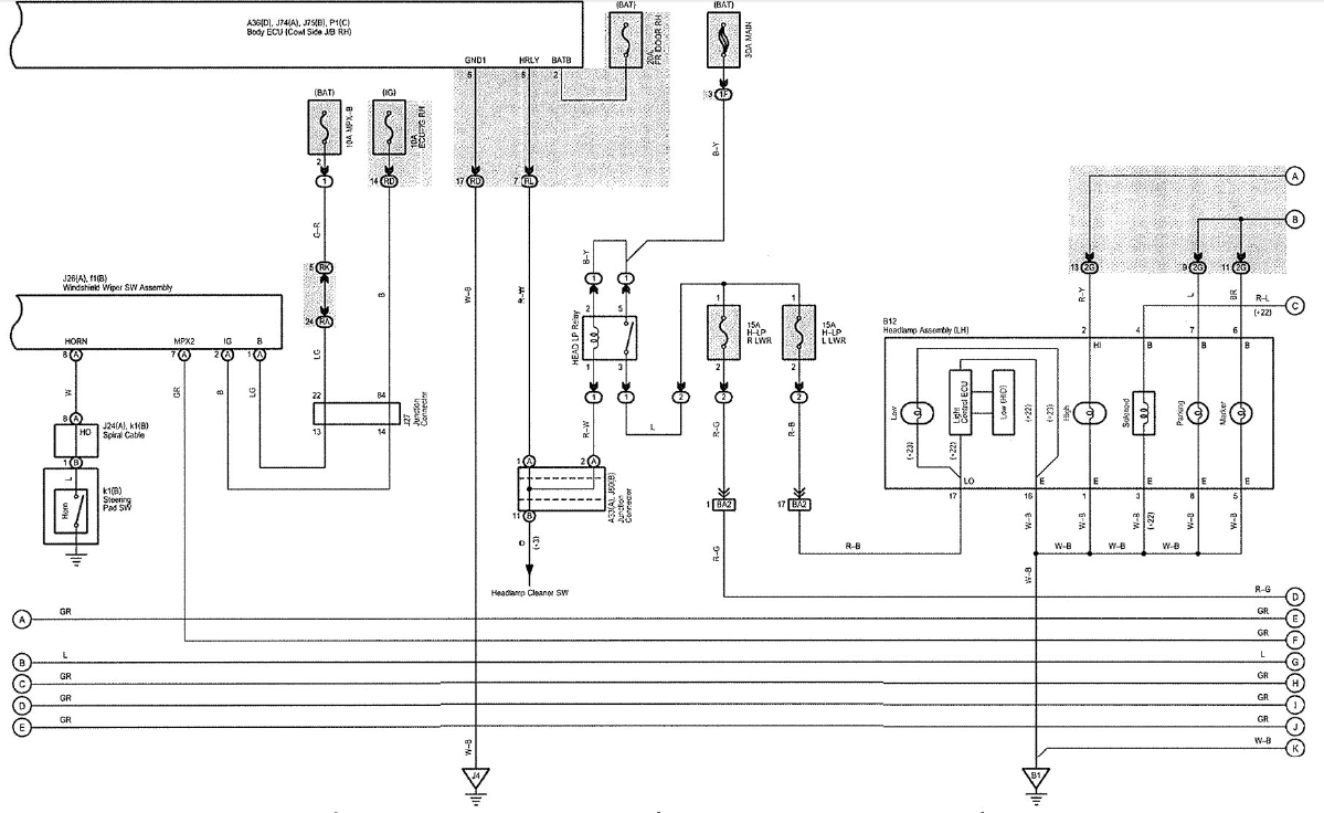
Het viel mij laatst op dat mijn grootlicht het niet meer doet. Nou zat ik eens door het boekje te bladeren en toen kwam ik de zekeringkast type B voor de is250 tegen, en hierin zit de zekering voor het grootlicht. Nou ben ik net gaan zoeken maar ik kan die hele zekeringkast niet vinden. Alleen maar een klein kastje bij de accu maar dat is niet die ik moet hebben. Het gaat om deze kast:
Het kastje bij de accu had ik al gevonden, maar dit is niet de goede.
Het viel mij laatst op dat mijn grootlicht het niet meer doet. Nou zat ik eens door het boekje te bladeren en toen kwam ik de zekeringkast type B voor de is250 tegen, en hierin zit de zekering voor het grootlicht. Nou ben ik net gaan zoeken maar ik kan die hele zekeringkast niet vinden. Alleen maar een klein kastje bij de accu maar dat is niet die ik moet hebben. Het gaat om deze kast:
Het kastje bij de accu had ik al gevonden, maar dit is niet de goede.
Iemand dit eerder mee gemaakt??